Quang trở là gì? Trong lĩnh vực điện tử, quang trở là một linh kiện cơ bản nhưng có vai trò thiết yếu trong nhiều ứng dụng, từ các mạch điều khiển ánh sáng đơn giản đến các hệ thống tự động phức tạp.
Quang trở, hay còn gọi là điện trở quang (Light Dependent Resistor – LDR), là một loại linh kiện bán dẫn có điện trở thay đổi nghịch với cường độ ánh sáng chiếu vào. Đây là một thành phần thụ động hoạt động dựa trên hiệu ứng quang điện, cho phép dòng điện chạy qua dễ dàng hơn khi có nhiều ánh sáng.
Sự hiểu biết về quang trở là gì sẽ giúp chúng ta nắm bắt được nguyên lý hoạt động cơ bản của nhiều thiết bị điện tử ngày nay. Chúng được ứng dụng rộng rãi nhờ khả năng chuyển đổi tín hiệu ánh sáng thành tín hiệu điện, tạo nền tảng cho các hệ thống tự động hóa dựa trên môi trường ánh sáng xung quanh.

Cấu tạo và nguyên lý hoạt động của quang trở
Quang trở được cấu tạo từ một lớp vật liệu bán dẫn nhạy sáng, điển hình là Sunfua Cadmi (CdS) hoặc các vật liệu khác như Selen, Gecmani, Silic. Các vật liệu này có khả năng thay đổi điện trở khi bị kích thích bởi photon ánh sáng. Khi ánh sáng chiếu vào, các photon cung cấp đủ năng lượng để giải phóng các electron khỏi liên kết nguyên tử, tạo ra các cặp điện tử – lỗ trống tự do, làm tăng độ dẫn điện của vật liệu và do đó giảm điện trở.
Nguyên lý hoạt động này dựa trên hiệu ứng quang dẫn nội tại. Khi không có ánh sáng, quang trở có điện trở rất lớn (lên đến vài megaohm) do số lượng hạt tải điện tự do trong chất bán dẫn ít. Ngược lại, khi có ánh sáng chiếu vào, đặc biệt là ánh sáng có bước sóng phù hợp, số lượng hạt tải điện tăng lên đáng kể, làm giảm điện trở xuống chỉ còn vài trăm ohm hoặc thậm chí thấp hơn. Mức độ giảm điện trở này phụ thuộc trực tiếp vào cường độ ánh sáng mà quang trở hấp thụ.

Đặc điểm nổi bật của quang trở
- Điện trở thay đổi theo ánh sáng: Đây là đặc điểm cơ bản nhất của quang trở. Điện trở của linh kiện giảm khi cường độ ánh sáng tăng và ngược lại, tăng khi ánh sáng yếu đi.
- Độ nhạy phổ khác nhau: Các loại quang trở khác nhau sử dụng vật liệu bán dẫn khác nhau sẽ có độ nhạy với các dải bước sóng ánh sáng khác nhau, từ ánh sáng nhìn thấy đến hồng ngoại.
- Thời gian đáp ứng: Quang trở thường có thời gian đáp ứng khá chậm, tức là cần một khoảng thời gian nhất định để điện trở thay đổi hoàn toàn khi cường độ ánh sáng thay đổi đột ngột. Điều này có thể là một hạn chế trong các ứng dụng yêu cầu phản ứng nhanh.
- Kích thước và chi phí: Quang trở có kích thước nhỏ gọn và chi phí sản xuất thấp, làm cho chúng trở thành lựa chọn kinh tế cho nhiều ứng dụng.
Để tìm hiểu thêm về các linh kiện điện tử và hệ thống tự động, quý vị có thể truy cập Trang chủ của chúng tôi để cập nhật nhiều kiến thức hữu ích.
Ứng dụng thực tế của quang trở
Nhờ đặc tính thay đổi điện trở theo ánh sáng, quang trở được ứng dụng rộng rãi trong nhiều mạch điện và hệ thống khác nhau:
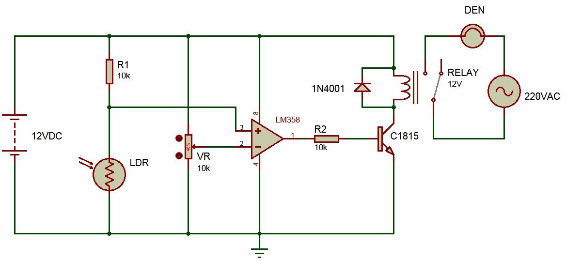
- Mạch bật tắt đèn tự động: Đây là một trong những ứng dụng quang trở bật tắt đèn phổ biến nhất, dùng để tự động bật đèn khi trời tối và tắt đèn khi trời sáng, giúp tiết kiệm năng lượng.
- Hệ thống đo cường độ ánh sáng: Quang trở được sử dụng làm cảm biến ánh sáng trong các thiết bị đo lường như máy đo cường độ sáng (luxmeter).
- Mạch báo động và an ninh: Trong các hệ thống báo động chống trộm, quang trở có thể phát hiện sự thay đổi ánh sáng khi có vật cản đi qua hoặc khi một khu vực bị chiếu sáng bất ngờ.
- Đồ chơi và thiết bị điện tử tiêu dùng: Nhiều đồ chơi trẻ em, đèn ngủ cảm ứng hoặc các thiết bị điện tử gia dụng đơn giản sử dụng quang trở để nhận biết môi trường ánh sáng.
- Hệ thống điều khiển công nghiệp: Trong một số ứng dụng công nghiệp, quang trở có thể được dùng để kiểm soát quy trình, ví dụ như đếm sản phẩm trên băng chuyền hoặc phát hiện vị trí của một bộ phận.

Tóm tắt về quang trở và tầm quan trọng
Quang trở là một linh kiện điện tử thụ động hoạt động dựa trên nguyên lý quang dẫn, nơi điện trở của nó thay đổi theo cường độ ánh sáng. Với khả năng phản ứng với ánh sáng, linh kiện này đóng vai trò quan trọng trong việc chuyển đổi thông tin từ môi trường vật lý (ánh sáng) sang tín hiệu điện tử. Mặc dù có những hạn chế nhất định về tốc độ đáp ứng, quang trở vẫn là một giải pháp hiệu quả về chi phí và đáng tin cậy cho nhiều ứng dụng cảm biến và điều khiển ánh sáng.
Khám phá sâu hơn về công nghệ cảm biến ánh sáng
Việc nắm vững kiến thức về quang trở là bước đầu tiên để hiểu rõ hơn về thế giới điện tử cảm biến. Hãy tiếp tục hành trình khám phá các nguyên lý và ứng dụng khác để mở rộng tầm nhìn của quý vị về kỹ thuật điện tử.
👉 Tìm hiểu thêm các chủ đề hấp dẫn về điện tử ngay hôm nay!
